LED 小灯是一种简单的 LED,只能通过亮和灭来表达简单的信息。而这节课我们要来学习一种能表达更复杂信息的器件——LED 数码管。
先给大家提供一张原理图看一下,如图5-3所示。

图5-3 数码管原理图
这是比较常见的数码管的原理图,我们板子上一共有6个数码管。前边有了 LED 小灯的学习,数码管学习就会轻松的多了。从图5-3可以看出来,数码管共有 a、b、c、d、e、f、g、dp 这么8个段,而实际上,这8个段每一段都是一个 LED 小灯,所以一个数码管就是由8个 LED 小灯组成的。我们看一下数码管内部结构的示意图,如图5-4。
图5-4 数码管结构示意图
数码管分为共阳和共阴两种,共阴数码管就是8只 LED 小灯的阴极是连接在一起的,阴极是公共端,由阳极来控制单个小灯的亮灭。同理,共阳数码管就是阳极接在一起,大家可以认真研究下图5-4。
细心的同学会发现,图5-3的数码管上边有2个 com,这就是我们数码管的公共端。为什么有2个呢,一方面是2个可以起到对称的效果,刚好是10个引脚,另外一个方面,公共端通过的电流较大,我们初中就学过,并联电路电流之和等于总电流,用2个 com 可以把公共电流平均到2个引脚上去,降低单条线路承受的电流。
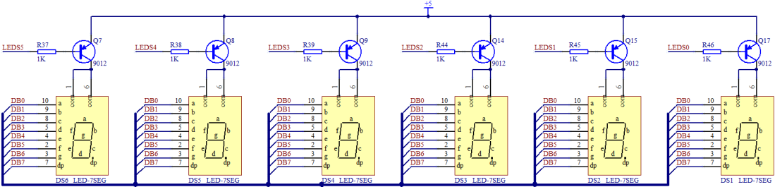
从我们开发板的电路图上能看出来,我们所用的数码管都是共阳数码管,一共有6个,如图5-5所示。
图5-5 KST-51 数码管电路
6个数码管的 com 都是接到了正极上,当然了,和 LED 小灯电路一样,也是由 74HC138 控制三极管的导通来控制整个数码管的使能。先来看最右边的 DS1 这个数码管,原理图上可以看出,控制 DS1 的三极管是 Q17,控制 Q17 的引脚是 LEDS0,对应到 74HC138 上边就是 U3 的 Y0 输出,如图5-6所示。
图5-6 74HC138 控制图
我们现在的目的是让 LEDS0 这个引脚输出低电平,相信大家现在可以根据前边学过的知识独立把 ADDR0、ADDR1、ADDR2、ADDR3、ENLED 这4个所需输入的值写出来了,现在大家不要偷懒,根据 74HC138 的手册去写一下,不需要你记住这些结论,但是遇到就写一次,锻炼过几次后,遇到同类芯片自己就知道如何去解决问题了。
数码管通常是用来显示数字的,我们板子上有6个数码管,习惯上称之为6位,那控制位选择的就是 74HC138 了。而数码管内部的8个 LED 小灯我们称之为数码管的段,那么数码管的段选择(即该段的亮灭)是通过 P0 口控制,经过 74HC245 驱动。
邮箱 626512443@qq.com
电话 18611320371(微信)
QQ群 235681453
Copyright © 2015-2024
备案号:京ICP备15003423号-3